罗姆为电动汽车充电桩打造高效解决方案
本篇文章2304字,读完约6分钟
引言
全球能源短缺和大气污染问题日益严峻,汽车产业绿色低碳发展已成为降低全社会碳排放、增强国家竞争力的有效手段。作为领先的功率半导体厂商之一,罗姆一直致力于技术创新,研发各种高效、高品质的功率器件,为大功率智能充电站提供安全可靠的解决方案,在支持绿色出行的同时助力全面低碳社会的可持续发展。
缩短充电时间的高输出挑战
对电动汽车车主来说,缩短充电时间是非常重要的诉求,而大功率充电是其中关键的支撑技术。提升续航距离需要増加电池容量,为缩短充电时间,需要高输出能力的充电桩,如360kW的充电桩要搭载9个40kW的电源模块。在电路拓扑方面,单向充电桩使用三相Vienna整流LLC电路。基于纯电动车对电网、家庭供电的需求,双向充电桩也趋于使用三相B6-PFC+双有源桥电路。
无论哪一种充电桩,客户都在一如既往地重视高品质的同时,随着输出功率的提高而追求高效化和热管理。对此,罗姆以功率器件为中心提供各种解决方案,满足各种客户需求。根据使用器件的不同,罗姆提供两类充电桩解决方案。一是碳化硅器件解决方案,适用于追求高效、小型化的大功率充电桩。二是硅器件解决方案,包括相对于碳化硅器件来说性价比较好的超级结MOS和IGBT。
·针对单向充电桩:面向大功率Vienna PFC+LLC电路拓扑的方案
Vienna整流+LLC构成了充电桩的基本电路。如果考虑设备成本,罗姆推荐使用硅器件、FRD(快恢复二极管)方案;如果需要高功率密度和高效率,则推荐使用碳化硅 MOS/SBD方案。

Vienna PFC+LLC电路和器件示例
PFC部分更适合使用碳化硅器件,理由有二:其一,高温时导通电阻增加较少,能实现高效率,同时可抑制发热,使用更小的散热板;其二,碳化硅器件的恢复损耗非常小,开关损耗较小,能够提高工作频率,有助于输入线圈的小型化。作为硅器件解决方案,也可以使用具有高速开关的罗姆SJ-MOSFET“R65xKN系列”以及IGBT“RGW系列”。

Vienna PFC拓扑推荐器件
其次,对于LLC部分,罗姆通过高耐压1200V 碳化硅MOS来削减部件个数。通过将1200V 碳化硅MOS应用于LLC部分,可以将Stack型的LLC电路变更为下述Single型。具备高耐压、高速开关特点的碳化硅器件给Single LLC带来以下优点:
·减少功率器件数量,节省空间,简化电路,降低故障率;
·减少控制元件数量,简化驱动电路,减少MCU使用数、减少端口数。

碳化硅MOS可以实现Single LLC的优势
·针对双向充电桩:面向三相B6-PFC电路拓扑的解决方案
罗姆针对双向充电桩的三相B6-PFC拓扑的方案使用1200V 碳化硅MOS,它具有以下优点:
·受高温影响小;
·高速恢复性能有助于可实现输入线圈、绝缘变压器的小型化
·抑制偏共振时的破坏风险
20kW以下使用1200V开关元器件,例如高效率的碳化硅MOSFET “SCT3xxxKx(1200V/17-95A)”或标准IGBT “RGSxxTSX2”。在20kW以上的应用中,可以选择全碳化硅功率模块“BSMxxxD1xPxCxxx/Exxx/Gxxx(1200-1700V/80-600A/Half-Bridge)”,实现双有源桥谐振变换器(绝缘双向DC-DC)。

三相B6-PFC+双有源桥电路拓扑推荐器件
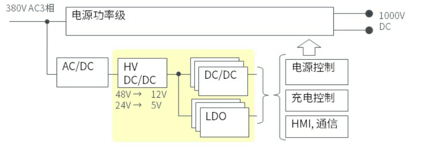
·针对充电桩二次电源系统的解决方案
针对充电桩系统中的二次部分(控制器,驱动部分),罗姆也有非常多的产品可供选择,其中在电源方面,有电源树形式的提案,从HV-DCDC到DCDC或LDO。

电源树形式的提案
2021年5月,罗姆推出了高耐压、大电流、内置MOSFET的降压型DC/DC转换器IC“BD9G500EFJ-LA”,既可实现小型高效,又确保即使受到雷电等突发性浪涌电压也不会损坏;同时以大电流支持更多的功能。
新产品是非隔离型DC/DC转换器IC,采用BiCDMOS高耐压工艺,可提供先进工业设备所需的电源功能。适用于48V电源系统,具有超高的80V耐压,安全工作范围更宽,与同等输出电流的普通产品相比,耐压提高了约20%。其足够的余量可以应对突发性浪涌电压,有助于提高应用的可靠性。
此外,还实现了耐压60V以上DC/DC转换器IC中超高的5A最大输出电流,有助于实现更多功能的小型化充电桩。另外,内置低损耗MOSFET可在2A至5A宽输出电流范围内实现高达85%的功率转换效率,更加节能。

与普通产品相比,耐压提高约20%
助客户研发一臂之力
在客户开发流程的各个阶段,罗姆提供全方位的应用支持,包括器件选型、电路设计、电路验证,到基板设计和实机验证。罗姆还特别针对客户在产品设计中比较花费工夫的3项技术提供重点支持:
·热设计支持
通过包括印刷板在内的热模拟,可以在PCB发板之前验证热设计。如果发生热问题,可以通过实测和模拟提出改进建议。
·EMC(噪音)设计支持
在构想、设计、试制阶段,由支持过众多客户、有丰富经验的工程师进行分析,支持客户解决EMC问题。
·仿真技术支持
客户可以利用罗姆官网上的仿真工具ROHM Solution Simulator简单轻松地进行电路仿真和系统验证。在接近实际环境的解决方案电路中,同时验证碳化硅功率元器件和驱动IC,从而显著缩短应用开发周期。
绿色,“充”向未来
作为全球功率半导体特别是碳化硅技术创新的领导者之一,罗姆持续提供安全可靠的功率半导体解决方案,来满足各种场景电动汽车充电需求。未来,罗姆将积极推动技术创新,为构建绿色、智能、安全的充电生态提供更多安全可靠的充电解决方案,助力全面低碳社会的可持续发展。
下一篇:重磅!哪吒汽车与华为开启全面合作 中国技术构筑智能出行新征程
标题:罗姆为电动汽车充电桩打造高效解决方案 地址:http://www.1803737.com//new/20576.html
特别声明:本站的所有文章版权均属于进口汽车配件网,未经本网授权不得转载、摘编或利用其它方式使用上述作品,违背上述声明者,我们将追究其相干法律责任。
